Outillage spécial 

Outil à réaliser à l'atelier
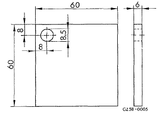
Plaque de base pour bâti de mesure
Matériau: st 37

Valeurs de contrôle

Couples de serrage

Contrôle
Nota : effectuer ce contrôle en cas de réclamations pour mouvement de nutation aux brides. 1 Désaccoupler l'arbre de transmission et monter la bride de mesure.
2 460 589 01 23 00

2 Monter le comparateur et le support sur le carter de boîte de vitesses
2 001 589 53 21 00
363 589 02 21 00
Nota: pour fixer ie comparateur et le support, on peut utiliser la piaque de base (à réaliser à l'atelier).
3 Vérifier que l'écart de concentricité total à la surface de mesure avant est < 0,07 mm.
4 Si la dimension n'est pas atteinte, déposer la bride à l'aide de la clé de maintien et de l'extracteur.
460 589 01 31 00
460 589 02 33 00
5 monter la bride à nouveau après rotation de 120.
Nota:

6 Après le contrôle, freiner l'écrou sur la bride.
7 Accoupler l'arbre de transmission et le serrer à 35 nm.
000 589 10 99 16
001 589 66 21 00

Réglage du levier de vitesses au plancherLégende du schéma électrique 250/300 gd
1 Ahmentaiion en courant
2 Commande de préchauffage et de démarrage
3 Projecteurs
4 Essuie-glace de pare-brise, soufflante de chauffage, circulation d'air
5 Feux-stop, rétroviseur extérieur, avertisseur
6 Essuie-glace de lunette ar, lave-glace ...
Consignes de sécurité importantes
Pendant les manoeuvres, accordez une
attention particulière aux objets qui se
trouvent au-dessus ou en dessous des capteurs
(vasques de fleurs ou timons, par
exemple). En effet, le parktronic ne peut
pas détecter ces objets lorsqu'ils sont à
proximité immédia ...
Contrôle de la pile
Appuyez sur la toucheou la
touche
.
Si la pile est bonne, le voyant des piles 1
s'allume brièvement.
Si le voyant des piles 1 ne s'allume pas
lors du contrôle, la pile est déchargée.
remplacez la pile.
Vous pouvez vous procurer une pile dans
tous ...