Valeurs de contrôle

Couples de serrage

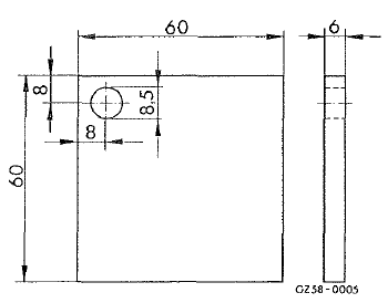
Outillage spécial 

Outil à réaliser à l'atelier

Plaque de base pour chevalet de mesure
Matériau: st 37-2
Matériel d'usage

Caractéristiques techniques
ContrôleConsignes de sécurité importantes
Attention
si vous ne faites pas effectuer les services de
maintenance prescrits ni les réparations
nécessaires, cela peut entraîner des dysfonctionnements
ou la défaillance de certains systèmes.
Il y a risque d'accident.
Confiez toujours les ...
Plan d'occupation pour la réglette de branchement sur le bloc de commande de
l'abs
1 Plus depuis le relais de protection
2 excitation pour la valve avant gauche
4 masse pour le capteur avant gauche
6 plus pour le capteur avant gauche
7 plus pour le capteur arrière gauche
9 masse pour le capteur arrière gauche
10 masse pour le bloc de commande
11 plus pour ...
Consignes de sécurité importantes
Attention
si vous montez des jantes et des pneus de
dimensions incorrectes, les freins de roue ou
les composants de la suspension des roues
risquent d'être endommagés. Il y a risque
d'accident.
Les jantes et les pneus doivent toujours être
remplac&eacut ...