
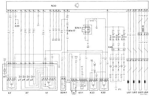
Branchement des vérificateurs
Nota: le véhicule ne doit pas rouler avec l'adaptateur branché.
Pendant le contrôle, tous les autres consommateurs de courant doivent être coupés, avec cette méthode de contrôfe, on peut contrôler l'ensemble du système abs sauf le bloc de commande électronique.
Légende du schéma électrique - abs

Schéma électrique supplémentaire - abs

Déroulement des contrôles
Schéma de branchement
Avec l'allumage coupé, arracher la fiche depuis ie bloc de commande électronique de l'abs (n30) et la brancher à !A boîte de douilles (050). Brancher le multimètre (003) à la prise de contrôle et de mesure respective de ia boîte de douilles.
Nota: le véhicuie ne doit pas rouler avec ia boîte de douilles branchée.

Outillage spécial

Boîte de douilles pour branchement des composants électriques
Condition préliminaire pour l'essai
001 Fiche, bloc de commande
003 multimètre
050 boîte de douilles











Valeur de contrôle

Outillage spécial 

Valeurs de réglage pour alb

Contrôle du réglage

1 Pour le contrôle de la modulation de la pression en fonction de la charge, déterminer fa charge sur le pont ar, le véhicule étant prêt à partir (le peser), 2 brancher l'outil spécial aux prises de contrôle et de mesure.
 001 589 64 21 00
 001 589 64 21 00
Prise de contrôle et de mesure de la pression non modulée
Prise de contrôle et de mesure de la pression modulée

3 Actionner la pédale de frein jusqu'à ce que le manomètre dans le circuit de freinage du pont av indique 100 bar.
4 Comparer la pression de freinage au pont ar aux valeurs dans le tableau "valeurs de réglage".

5 Le cas échéant, régler la pression de réglage en allongeant ou en raccourcissant ia longueur de la tige filetée.
Nota: raccourcissement de la tige de tringlerie: pression régulée abaissée.
Allongement de la tige de tringlerie: pression régulée augmentée. 6 Débrancher l'outil spécial.
 001 589 64 21 00
 001 589 64 21 00
Nota: si la course de réglage de la tringlerie de régulation n'est pas suffisante, on peut l'allonger ou la raccourcir en agissant sur le palier du ressort régulateur dans le trou oblong du levier double.
 Contrôle du réglage et réglage du correcteur alb
Contrôle du réglage et réglage du correcteur alb Direction
DirectionMontée des rapports
   Lorsque le programme de conduite
manuel m est sélectionné, la boîte de vitesses
automatique ne monte pas automatiquement
les rapports, même si le régime
de coupure d'injection est atteint. Lorsque
le moteur atteint le régime de coupure d'injection,
l'arr ...
   
Basculement du dossier vers l'avant
   
Pour basculer le dossier vers l'avant, procédez
comme suit :
	 ouvrez les portes arrière.
	Vous accéderez ainsi plus facilement au
	dispositif de déverrouillage 1.
	 déposez l'appuie-tête central.
	 tirez le dispositif de dév ...
   
Consignes de sécurité importantes
   La caméra de recul est uniquement un système
d'aide. Elle n'est pas en mesure de remplacer
l'attention que vous devez apporter à
votre environnement immédiat. C'est vous
qui êtes responsable de la sécurité lorsque
vous effectuez des manoeuvres. Lo ...