





Définitions des termes relatifs aux
pneus et au chargement
Structure du pneu et matériaux utilisés
Décrit le nombre de couches ou le nombre de
nappes noyées dans la gomme qui constituent
la bande de roulement du pneu et ses
flancs. Celles-ci sont fabriquées à partir
d'acier, de nylon, de polyester et d'autres
...
Niveau du liquide de frein
Si vous constatez que le niveau du liquide
de frein dans le réservoir a baissé jusqu'au
repère minimum ou en dessous, contrôlez
immédiatement l'étanchéité du système de
freinage. Contrôlez également l'épaisseur
de ...
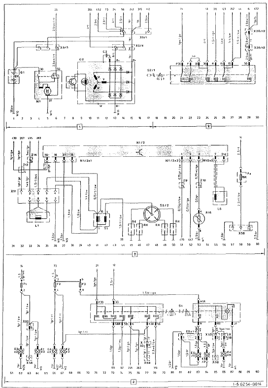
Plan d'occupation pour la réglette de branchement sur le bloc de commande de
l'abs
1 Plus depuis le relais de protection
2 excitation pour la valve avant gauche
4 masse pour le capteur avant gauche
6 plus pour le capteur avant gauche
7 plus pour le capteur arrière gauche
9 masse pour le capteur arrière gauche
10 masse pour le bloc de commande
11 plus pour ...