Généralités
Le système de verrouillage central (commande positions multiple) peut être actionné depuis la porte du conducteur, du passager, ou depuis la porte de panneau ar. Les poussoirs de verrouillage dans les portes servent de contrôle.

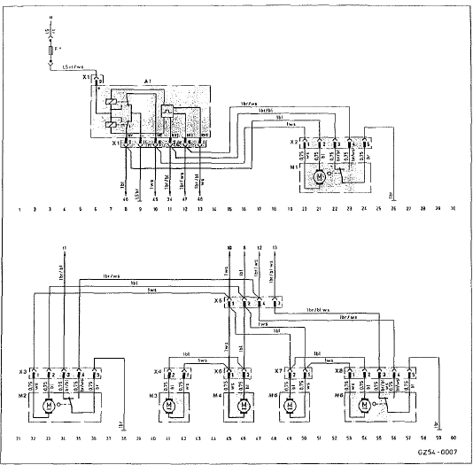
Schéma-bloc

Affectation des bornes
BV I entrée moteur verrouillage
BV II entrée moteur verrouillage
BE I entrée moteur déverrouiliage
MV sortie moteur verrouillage
ME sortie moteur déverrouillage
+ entrée plus
entrée moins
Fonctionnement
Au déverrouillage , be i est mis à la masse, à la suite de quoi la sortie me est mise à un potentiel positif env. 0,7 S (mv reste branché à la masse)
Conséquence tous les moteurs déverrouillent
Au verrouillage, bv i est mis à la masse, à la suite de quoi la sortie mv est mise à un potentiel positif env. 0,7 S (me reste branché à la masse)
Conséquence tous les moteurs verrouillent
Protection contre les surcharges
Après plus de 15 changements de potentiel (fermeture, ouverture) en l'espace de 2 minutes, le système est bloqué env.
20 Secondes par l'électronique de commande.
Schéma électrique - système de verrouillage central (break 2850)

A1 bloc de commande
M1 moteur et actionnement de la porte du passager avant
M2 moteur et actionnement de la porte du conducteur
M3 moteur, voiet de réservoir
M4 moteur, porte ar droite
M5 moteur, porte ar gauche
M6 moteur et actionnement de la porte de panneau ar
X1 connecteur, bioc de commande
X2 connecteur m1
X3 connecteur m2
X4 connecteur m3
X5 connecteur, alimentation de l'arrière
X6 connecteur m4
X7 connecteur m5
X8 connecteur m6
a connecteur, compartiment électrique, 3
broches, borne 30
Dépose et repose du toit ouvrant
RadioPhase de montée de la pression
Dans la phase de montée de la pression, la pression engendrée par le
maître-cylindre de frein est envoyée par
l'intermédiaire des électrovalves ouvertes aux freins de roue.
Unité hydraulique (schéma, établissement de ia pression)
...
Affichage du message de maintenance
Utilisez les touches du volant multifonction.
mettez le contact.
appuyez sur la toucheou
la touche
du volant pour sélectionner le menu affichage standard.
appuyez sur la toucheou
la touche
pour sélectionner l'indicateur
d'intervalles de maintenance ...
Remarques concernant les réparations
Attention!
Observer scrupuleusement les consignes de sécurité.
1 Les réparation ne doivent être effectuées que sur le
climatiseur vidangé.
2 Bien que le système soit vidangé, il peut toujours
subsister une légère pression qu ...