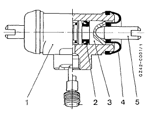
Valve de pression résiduelle (8,05)
Tâche
Maintien d'une certaine pression dans le circuit de freinage du pont ar après le freinage.
Maintenance
Une maintenance spéciale n'est pas nécessaire.
Caractéristiques techniques


Maître-cylindre de frein (19.03)
Tâche
Produire la force de freinage pour les freins de roue au moyen du liquide de frein.
Maintenance
Une maintenance spéciale n'est pas nécessaire.
Carartérisfinups tenhninijrs

Nota: contrôler régulièrement ie liquide de frein dans les réservoirs de compensation.

Cylindre de frein de roue (19.05)
Tâche
Transmission aux segments de frein de la pression produite par les pistons dans le maître-cylindre de frein.
Maintenance
Une maintenance spéciale n'est pas nécessaire.
Caractéristiques techniques


Alb - correcteur automatique de freinage en fonction de la charge (26.03)
Tâche
Régulation automatique de la pression de freinage dans les cylindres de frein de roue en fonction de l'état de chargement du véhicule.
Maintenance
Une maintenance spéciale n'est pas nécessaire.
Pour le contrôle du réglage, voir 221.
Caractéristiques techniques


Rattrapage d'usure automatique sur le pont ar
Caractéristiques techniquesDésactivation de la fonction hold
Attention
lorsque vous quittez le véhicule alors que
celui-ci est freiné uniquement par la fonction
hold, il peut se mettre à rouler si
le système ou l'alimentation électrique présentent
un défaut
la fonction hold est d&eac ...
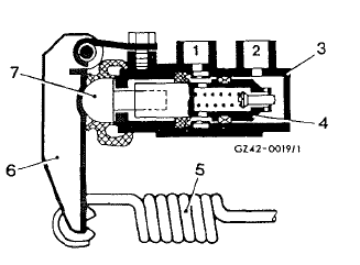
Plan d'occupation pour la réglette de branchement sur le bloc de commande de
l'abs
1 Plus depuis le relais de protection
2 excitation pour la valve avant gauche
4 masse pour le capteur avant gauche
6 plus pour le capteur avant gauche
7 plus pour le capteur arrière gauche
9 masse pour le capteur arrière gauche
10 masse pour le bloc de commande
11 plus pour ...
Remplissage du cylindre en fluide frigorigène
Valve de "service" (côté basse pression)
valve de "service" (côté haute pression)
vacuomètre
valve pour le vacuomètre
valve pour la pompe à vide
pompe à vide
manomètre ba ...