
Branchement des vérificateurs
Nota: le véhicule ne doit pas rouler avec l'adaptateur branché.
Pendant le contrôle, tous les autres consommateurs de courant doivent être coupés, avec cette méthode de contrôfe, on peut contrôler l'ensemble du système abs sauf le bloc de commande électronique.
Légende du schéma électrique - abs

Schéma électrique supplémentaire - abs

Déroulement des contrôles
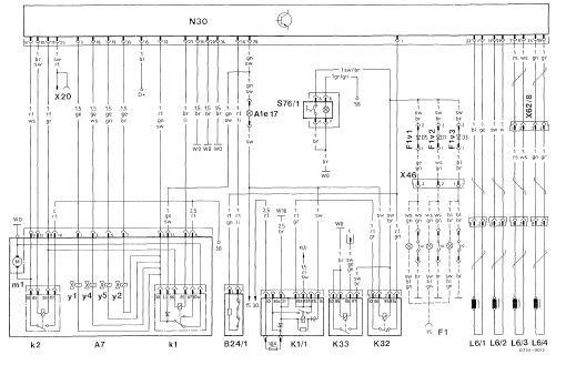
Schéma de branchement
Avec l'allumage coupé, arracher la fiche depuis ie bloc de commande électronique de l'abs (n30) et la brancher à !A boîte de douilles (050). Brancher le multimètre (003) à la prise de contrôle et de mesure respective de ia boîte de douilles.
Nota: le véhicuie ne doit pas rouler avec ia boîte de douilles branchée.

Outillage spécial

Boîte de douilles pour branchement des composants électriques
Condition préliminaire pour l'essai
001 Fiche, bloc de commande
003 multimètre
050 boîte de douilles











Valeur de contrôle

Outillage spécial 

Valeurs de réglage pour alb

Contrôle du réglage

1 Pour le contrôle de la modulation de la pression en fonction de la charge, déterminer fa charge sur le pont ar, le véhicule étant prêt à partir (le peser), 2 brancher l'outil spécial aux prises de contrôle et de mesure.
001 589 64 21 00
Prise de contrôle et de mesure de la pression non modulée
Prise de contrôle et de mesure de la pression modulée

3 Actionner la pédale de frein jusqu'à ce que le manomètre dans le circuit de freinage du pont av indique 100 bar.
4 Comparer la pression de freinage au pont ar aux valeurs dans le tableau "valeurs de réglage".

5 Le cas échéant, régler la pression de réglage en allongeant ou en raccourcissant ia longueur de la tige filetée.
Nota: raccourcissement de la tige de tringlerie: pression régulée abaissée.
Allongement de la tige de tringlerie: pression régulée augmentée. 6 Débrancher l'outil spécial.
001 589 64 21 00
Nota: si la course de réglage de la tringlerie de régulation n'est pas suffisante, on peut l'allonger ou la raccourcir en agissant sur le palier du ressort régulateur dans le trou oblong du levier double.
Contrôle du réglage et réglage du correcteur alb
DirectionBlocage de différentiel de la boîte de
transfert
Enclenchement: mettez la boîte de transfert en position tout-terrain low
range.
appuyez sur le contacteur 3.
Lorsque la boîte de transfert est en position
tout-terrain low range, le voyant orange
d'enclenchement qui se trouve sous le contacteur
3 s'allume.
Le voya ...
Consignes de sécurité importantes
Pendant les manoeuvres, accordez une
attention particulière aux objets qui se
trouvent au-dessus ou en dessous des capteurs
(vasques de fleurs ou timons, par
exemple). En effet, le parktronic ne peut
pas détecter ces objets lorsqu'ils sont à
proximité immédia ...
Frein à main
Le frein de stationnement à main est conçu comme frein
à levier; le levier est situé à côté du siège du conducteur.
Le frein à main agit sur les roues ar par l'intermédiaire
de deux câbles.
Quand on actionne le levi ...